Contact data | ||||||||||
Contact Arrangement | 1A(1H) 1C(1Z) | |||||||||
Contact Material | Ag Alloys | |||||||||
Conatct Rating(Resistive) | 5A 30VDC/5A 250VAC 3A 250VAC | |||||||||
Max.Switching Power | 1250VA | |||||||||
Max.Switching Voltage | 277VAC | |||||||||
Max.Switching Current | 5A | |||||||||
Contact Resistance | 100mΩ (1A 24VDC) | |||||||||
Operation Life | Electrical | 1×105 ops | ||||||||
Mechanical | 1×107 ops | |||||||||
Coil Parameter | ||||||||||
Rated coil power | Standard:450mW | |||||||||
Coil voltage VDC | Pick up Voltage VDC | Release voltage VDC | Max voltage VDC | Nominal Current mA | Coil Resistance | Coil power consumption W | ||||
5 | 75% | 10% | 130% | 91 | 55 | 0.45 | ||||
6 | 75 | 80 | 0.45 | |||||||
9 | 50 | 180 | 0.45 | |||||||
12 | 37.5 | 320 | 0.45 | |||||||
24 | 18.8 | 1280 | 0.45 | |||||||
Rated coil power | Standard:200mW | |||||||||
Coil voltage VDC | Pick up Voltage VDC | Release voltage VDC | Max voltage VDC | Nominal Current mA | Coil Resistance | Coil power consumption W | ||||
5 | 75% | 10% | 130% | 40 | 125 | 0.2 | ||||
6 | 33.3 | 180 | 0.2 | |||||||
9 | 22.5 | 400 | 0.2 | |||||||
12 | 16.7 | 720 | 0.2 | |||||||
24 | 8.3 | 2800 | 0.2 | |||||||
Operation condition | |
Insulation Resistance | 1000M |
Dielectric Strength | |
Between Contacts | 1000VAC |
Between Contacts and Coil | 2500/4000VA |
Action time (rated voltage) | ≦10ms |
Release time (rated voltage) | ≦10ms |
Shock Resistance | 98m/s2 980m/s2 |
Vibration Resistance | 10Hz~55Hz 1.5mm Double amplitude 1.5mm |
Terminals Strength | 6N |
Solderability | 280±10℃ 2±1s℃ |
Ambient Temperature | ‐40~85℃ |
Relative Humidity | 5%~85% RH |
Mass | ~ 6.5g |
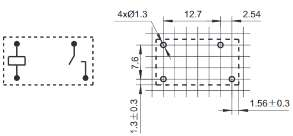
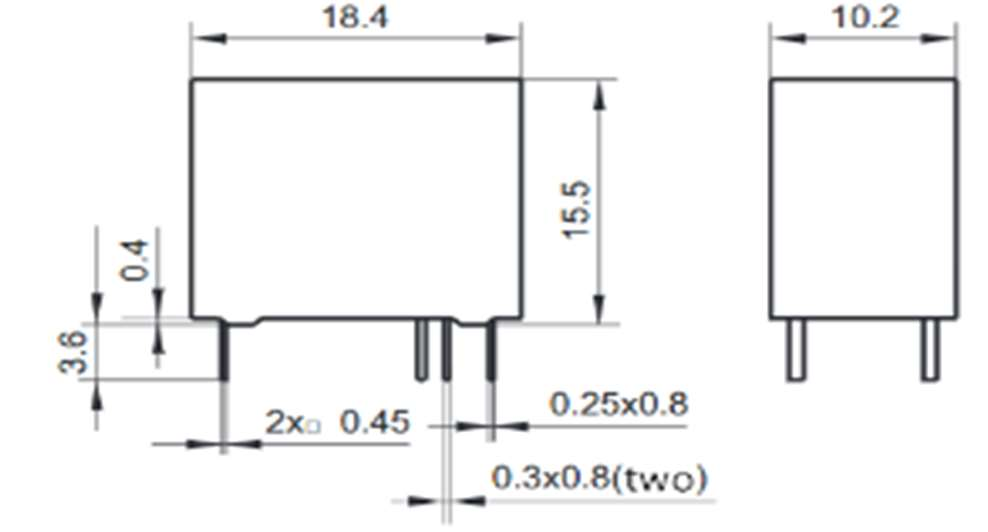
Dimension
1A


1C



