Contact data | ||||||||||||
Contact Arrangement | 1A(1H) | 1B(1D) | 1C(1Z) | |||||||||
Contact Material | Ag Alloys | |||||||||||
Conatct Rating(Resistive) | 40A 14VDC | 40A 14VDC | NC:40A/30 14VDC | |||||||||
Max.Switching Power | 560W | |||||||||||
Max.Switching Voltage | 72VDC | |||||||||||
Max.Switching Current | 40A | |||||||||||
Contact Resistance | 100mΩ (1A 6VDC) | |||||||||||
Operation Life | Electrical | 1×105ops | ||||||||||
Mechanical | 1×107 ops | |||||||||||
Coil Parameter | ||||||||||||
Rated coil power | Standard:~ 1800mW | |||||||||||
Coil voltage VDC | Pick up Voltage VDC | Release voltage VDC | Max voltage VDC | Nominal Current (mA) | Coil Resistance | Coil power consumption W | ||||||
12 | 75% | 10% | 130% | 133 | 90 | 1.6 | ||||||
| 24 | 66 | 360 | 1.6 | |||||||||
Operation condition | |
Insulation Resistance | 1000M |
Dielectric Strength | |
Between Contacts | 500VAC |
Between Contacts and Coil | 500VA |
Action time (rated voltage) | ≦15ms |
Release time (rated voltage) | ≦10ms |
Shock Resistance | 98m/s2 980m/s2 |
Vibration Resistance | 10Hz~55Hz 1.5mm Double amplitude 1.5mm |
Terminals Strength | 6N |
Solderability | 280±10℃ 2±1s℃ |
Ambient Temperature | ‐40~125℃ |
Relative Humidity | 5%~85% RH |
Mass | ~20g |

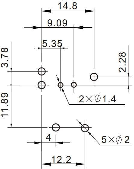
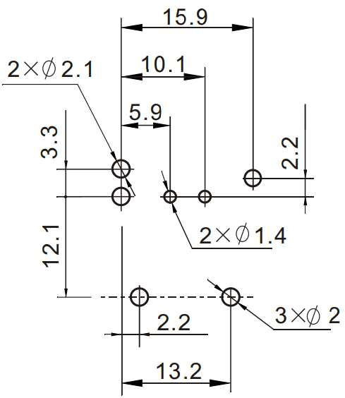
Ordering Information

